OEM ЗАПЧАСТИ

  info@automotohub.ru   8 (916) 294-84-77
  О Компании   Оплата и Доставка   Помощь   Обратная связь

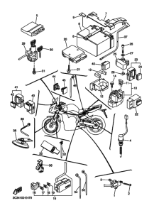
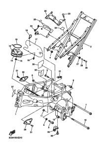
Запчасти для мотоциклов Yamaha FZ1-S FZ1 FAZER (S-TYPE)

Год: 2006  •  Код модели: 3C36  •  Объем двигателя: 1000
Запчасти для мотоциклов Yamaha FZ1-S FZ1 FAZER (S-TYPE)
Выбирайте узел вашей техники:


{modalWnd}