OEM ЗАПЧАСТИ

  info@automotohub.ru   8 (916) 294-84-77
  О Компании   Оплата и Доставка   Помощь   Обратная связь

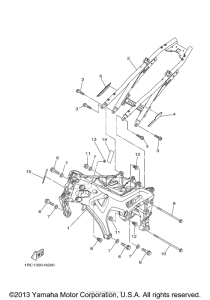
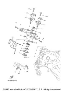
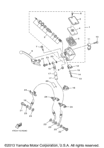
Запчасти для мотоциклов Yamaha FZ09EGY FZ-09

Год: 2014  •  Объем двигателя: 900
Запчасти для мотоциклов Yamaha FZ09EGY FZ-09
{modalWnd}