OEM ЗАПЧАСТИ

  info@automotohub.ru   8 (916) 294-84-77
  О Компании   Оплата и Доставка   Помощь   Обратная связь

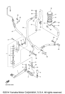
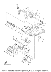
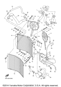
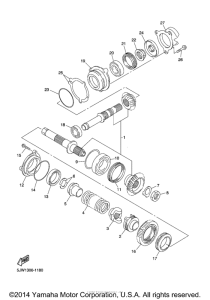
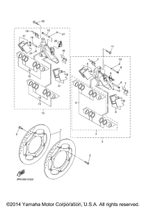
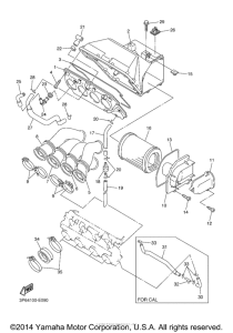
Запчасти для мотоциклов Yamaha FJR13AEV

Год: 2006  •  Объем двигателя: 1300
Запчасти для мотоциклов Yamaha FJR13AEV
{modalWnd}