OEM ЗАПЧАСТИ

  info@automotohub.ru   8 (916) 294-84-77
  О Компании   Оплата и Доставка   Помощь   Обратная связь

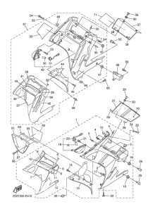
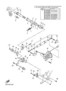
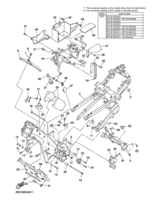
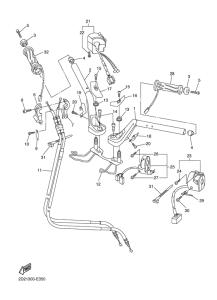
Запчасти для мотоциклов Yamaha FJR1300AS

Год: 2006  •  Код модели: 2D21  •  Объем двигателя: 1300
Запчасти для мотоциклов Yamaha FJR1300AS
{modalWnd}