OEM ЗАПЧАСТИ

  info@automotohub.ru   8 (916) 294-84-77
  О Компании   Оплата и Доставка   Помощь   Обратная связь

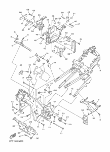
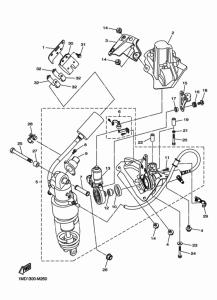
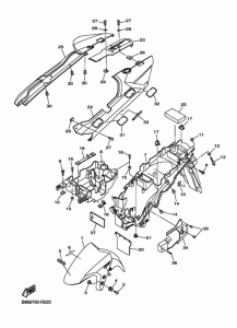
Запчасти для мотоциклов Yamaha FJR1300AE

Год: 2016  •  Код модели: B965  •  Объем двигателя: 1300
Запчасти для мотоциклов Yamaha FJR1300AE
{modalWnd}