OEM ЗАПЧАСТИ

  info@automotohub.ru   8 (916) 294-84-77
  О Компании   Оплата и Доставка   Помощь   Обратная связь

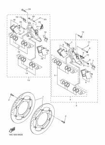
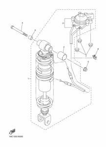
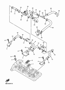
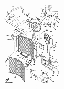
Запчасти для мотоциклов Yamaha FJR1300A

Год: 2016  •  Код модели: B881  •  Объем двигателя: 1300
Запчасти для мотоциклов Yamaha FJR1300A
{modalWnd}