OEM ЗАПЧАСТИ

  info@automotohub.ru   8 (916) 294-84-77
  О Компании   Оплата и Доставка   Помощь   Обратная связь

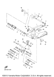
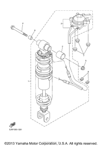
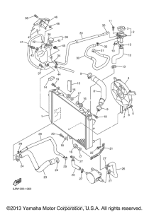
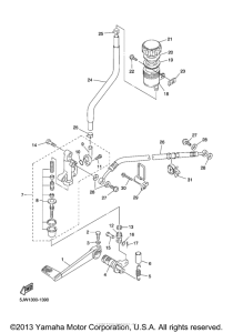
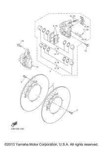
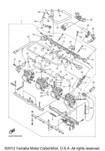
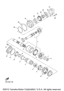
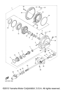
Запчасти для мотоциклов Yamaha FJR1300R

Год: 2003  •  Объем двигателя: 1300
Запчасти для мотоциклов Yamaha FJR1300R
{modalWnd}