OEM ЗАПЧАСТИ

  info@automotohub.ru   8 (916) 294-84-77
  О Компании   Оплата и Доставка   Помощь   Обратная связь

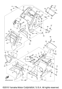
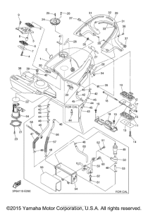
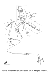
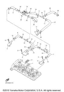
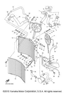
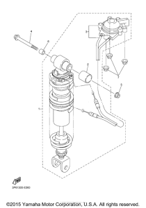
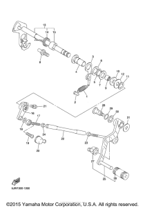
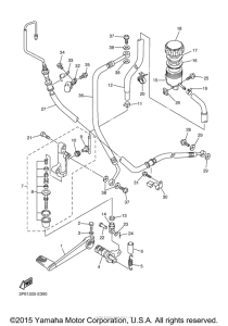
Запчасти для мотоциклов Yamaha FJR1300

Год: 2007  •  Объем двигателя: 1300
Запчасти для мотоциклов Yamaha FJR1300
{modalWnd}