OEM ЗАПЧАСТИ

  info@automotohub.ru   8 (916) 294-84-77
  О Компании   Оплата и Доставка   Помощь   Обратная связь

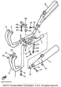
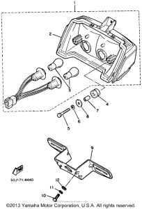
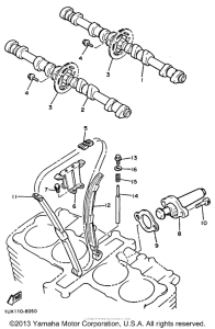
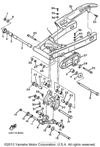
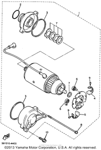
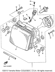
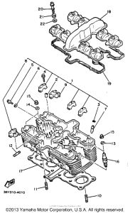
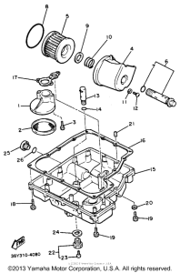
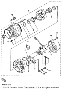
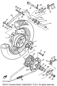
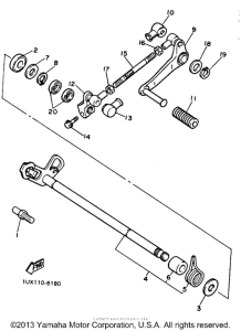
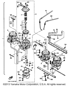
Запчасти для мотоциклов Yamaha FJ1200S

Год: 1986  •  Объем двигателя: 1200
Запчасти для мотоциклов Yamaha FJ1200S
{modalWnd}