OEM ЗАПЧАСТИ

  info@automotohub.ru   8 (916) 294-84-77
  О Компании   Оплата и Доставка   Помощь   Обратная связь

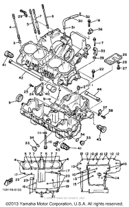
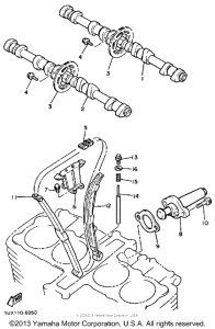
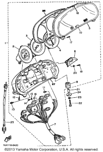
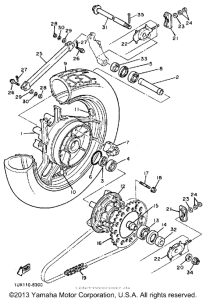
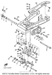
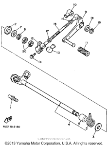
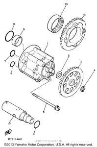
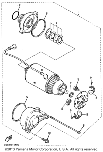
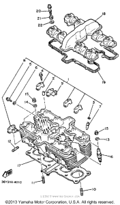
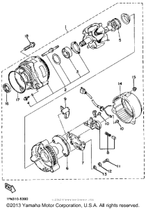
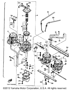
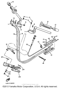
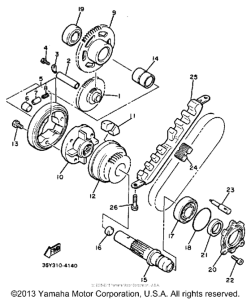
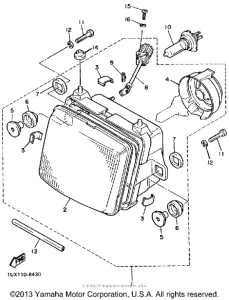
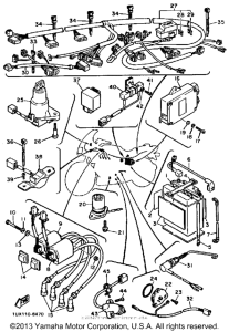
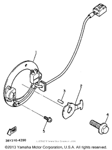
Запчасти для мотоциклов Yamaha FJ1200T

Год: 1987  •  Объем двигателя: 1200
Запчасти для мотоциклов Yamaha FJ1200T
{modalWnd}