OEM ЗАПЧАСТИ

  info@automotohub.ru   8 (916) 294-84-77
  О Компании   Оплата и Доставка   Помощь   Обратная связь

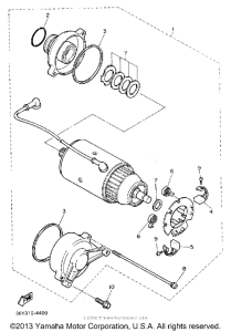
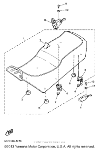
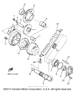
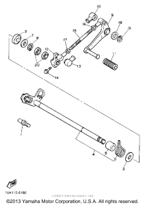
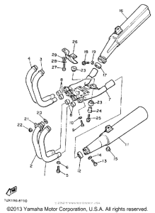
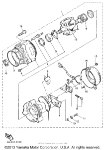
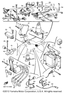
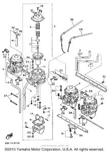
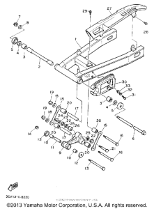
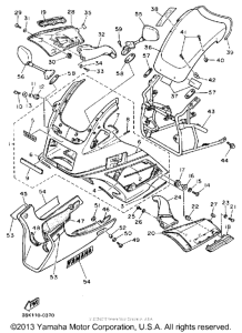
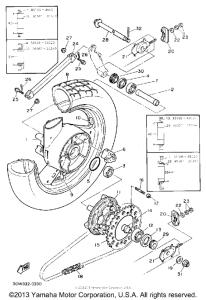
Запчасти для мотоциклов Yamaha FJ1200AC

Год: 1990  •  Объем двигателя: 1200
Запчасти для мотоциклов Yamaha FJ1200AC
{modalWnd}