OEM ЗАПЧАСТИ

  info@automotohub.ru   8 (916) 294-84-77
  О Компании   Оплата и Доставка   Помощь   Обратная связь

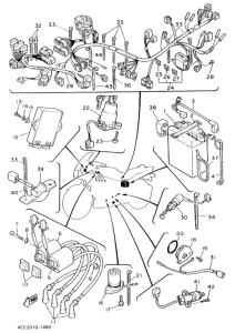
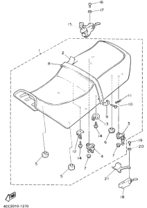
Запчасти для мотоциклов Yamaha FJ1200A

Год: 1991  •  Код модели: 4CC2  •  Объем двигателя: 1200
Запчасти для мотоциклов Yamaha FJ1200A
{modalWnd}