OEM ЗАПЧАСТИ

  info@automotohub.ru   8 (916) 294-84-77
  О Компании   Оплата и Доставка   Помощь   Обратная связь

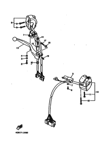
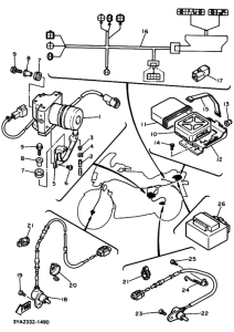
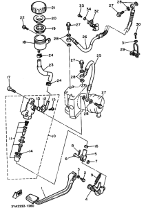
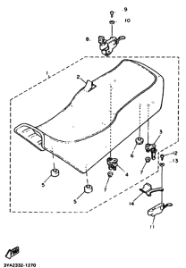
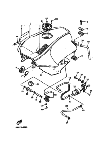
Запчасти для мотоциклов Yamaha FJ1200A FJ1200AE FJ1200

Год: 1993  •  Код модели: 4CR6  •  Объем двигателя: 1200
Запчасти для мотоциклов Yamaha FJ1200A FJ1200AE FJ1200
{modalWnd}