OEM ЗАПЧАСТИ

  info@automotohub.ru   8 (916) 294-84-77
  О Компании   Оплата и Доставка   Помощь   Обратная связь

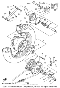
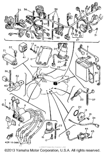
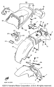
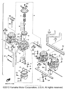
Запчасти для мотоциклов Yamaha FJ1200AEC

Год: 1993  •  Объем двигателя: 1200
Запчасти для мотоциклов Yamaha FJ1200AEC
Выбирайте узел вашей техники:


{modalWnd}