OEM ЗАПЧАСТИ

  info@automotohub.ru   8 (916) 294-84-77
  О Компании   Оплата и Доставка   Помощь   Обратная связь

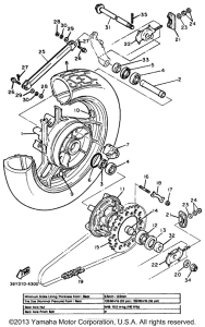
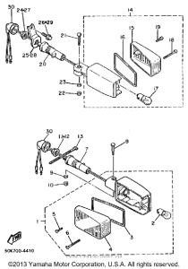
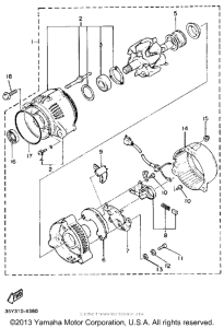
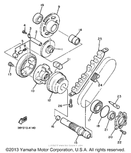
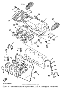
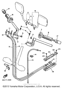
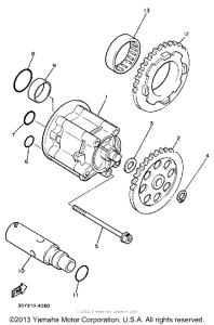
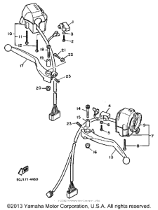
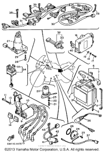
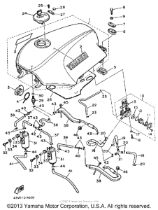
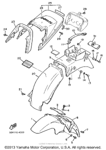
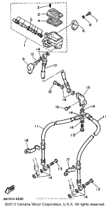
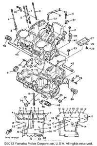
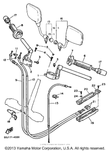
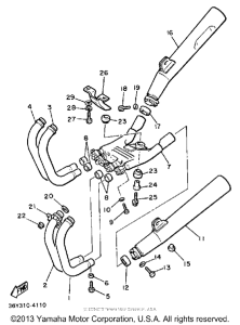
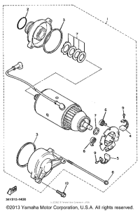
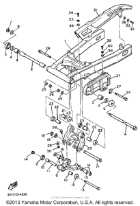
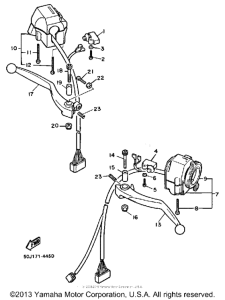
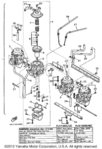
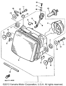
Запчасти для мотоциклов Yamaha FJ1100LC

Год: 1984  •  Объем двигателя: 1100
Запчасти для мотоциклов Yamaha FJ1100LC
{modalWnd}