OEM ЗАПЧАСТИ

  info@automotohub.ru   8 (916) 294-84-77
  О Компании   Оплата и Доставка   Помощь   Обратная связь

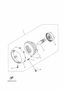
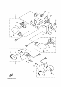
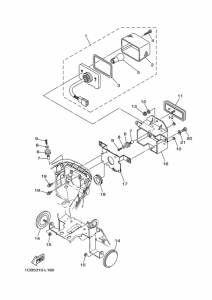
Запчасти для мотоциклов Yamaha ED06 EC-03

Год: 2012  •  Код модели: 1CB5
Запчасти для мотоциклов Yamaha ED06 EC-03
{modalWnd}