OEM ЗАПЧАСТИ

  info@automotohub.ru   8 (916) 294-84-77
  О Компании   Оплата и Доставка   Помощь   Обратная связь

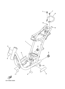
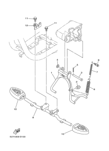
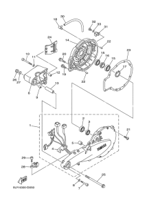
Запчасти для мотоциклов Yamaha EA06 Passol

Год: 2005  •  Код модели: 5UY4
Запчасти для мотоциклов Yamaha EA06 Passol
{modalWnd}