OEM ЗАПЧАСТИ

  info@automotohub.ru   8 (916) 294-84-77
  О Компании   Оплата и Доставка   Помощь   Обратная связь

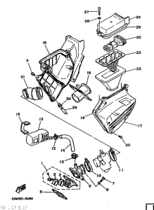
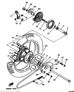
Запчасти для мотоциклов Yamaha DT80LC DT80

Год: 1986  •  Код модели: 53W  •  Объем двигателя: 80
Запчасти для мотоциклов Yamaha DT80LC DT80
Выбирайте узел вашей техники:


{modalWnd}