OEM ЗАПЧАСТИ

  info@automotohub.ru   8 (916) 294-84-77
  О Компании   Оплата и Доставка   Помощь   Обратная связь

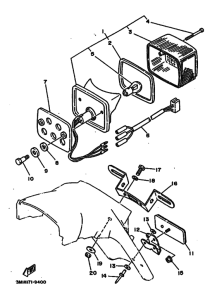
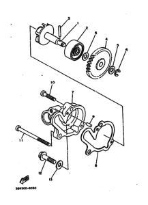
Запчасти для мотоциклов Yamaha DT200R DT200RW

Год: 1989  •  Код модели: 3MH1  •  Объем двигателя: 200
Запчасти для мотоциклов Yamaha DT200R DT200RW
{modalWnd}