OEM ЗАПЧАСТИ

  info@automotohub.ru   8 (916) 294-84-77
  О Компании   Оплата и Доставка   Помощь   Обратная связь

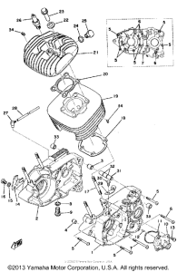
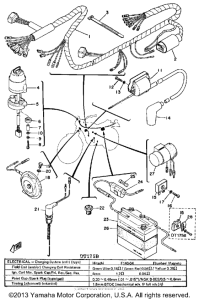
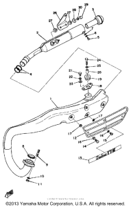
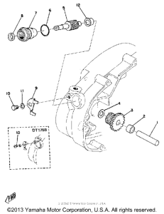
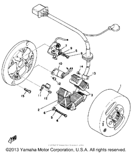
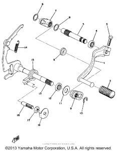
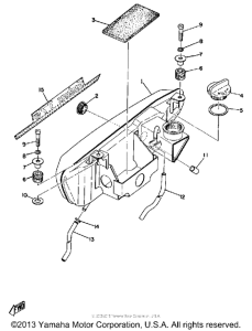
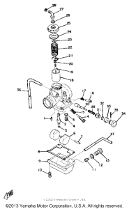
Запчасти для мотоциклов Yamaha DT175A

Год: 1974  •  Объем двигателя: 175
Запчасти для мотоциклов Yamaha DT175A
{modalWnd}