OEM ЗАПЧАСТИ

  info@automotohub.ru   8 (916) 294-84-77
  О Компании   Оплата и Доставка   Помощь   Обратная связь

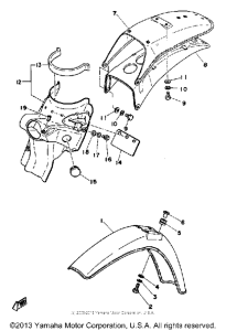
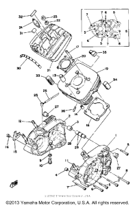
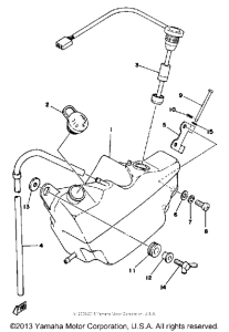
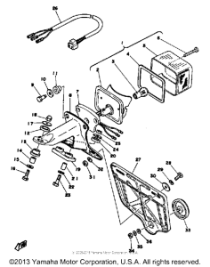
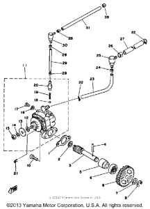
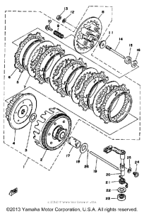
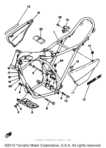
Запчасти для мотоциклов Yamaha DT125F DT125

Год: 1979  •  Объем двигателя: 125
Запчасти для мотоциклов Yamaha DT125F DT125
{modalWnd}