OEM ЗАПЧАСТИ

  info@automotohub.ru   8 (916) 294-84-77
  О Компании   Оплата и Доставка   Помощь   Обратная связь

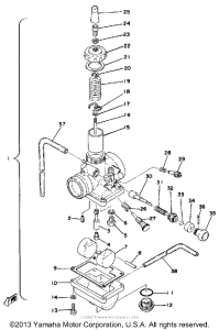
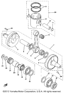
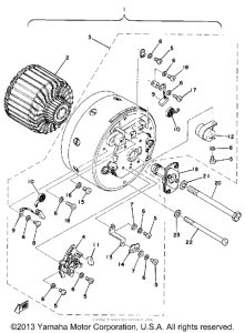
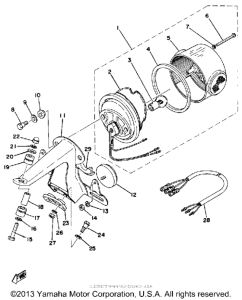
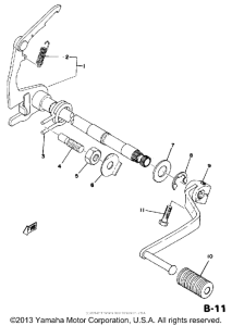
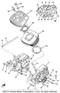
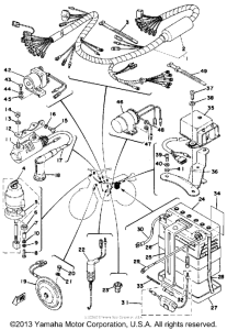
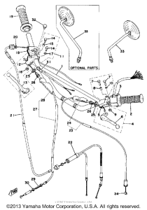
Запчасти для мотоциклов Yamaha DT125C DT125

Год: 1976  •  Объем двигателя: 125
Запчасти для мотоциклов Yamaha DT125C DT125
{modalWnd}