OEM ЗАПЧАСТИ

  info@automotohub.ru   8 (916) 294-84-77
  О Компании   Оплата и Доставка   Помощь   Обратная связь

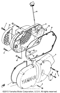
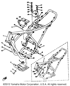
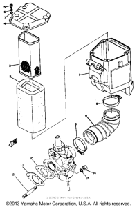
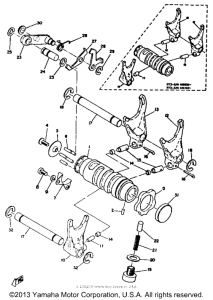
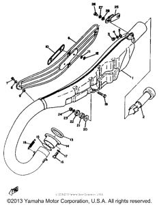
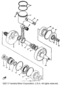
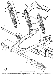
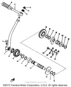
Запчасти для мотоциклов Yamaha DT3

Год: 1973  •  Объем двигателя: 300
Запчасти для мотоциклов Yamaha DT3
Выбирайте узел вашей техники:


{modalWnd}