OEM ЗАПЧАСТИ

  info@automotohub.ru   8 (916) 294-84-77
  О Компании   Оплата и Доставка   Помощь   Обратная связь

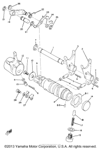
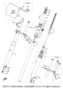
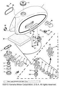
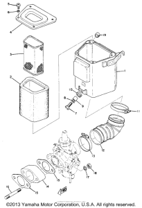
Запчасти для мотоциклов Yamaha DT1MX

Год: 1971  •  Объем двигателя: 1000
Запчасти для мотоциклов Yamaha DT1MX
{modalWnd}