OEM ЗАПЧАСТИ

  info@automotohub.ru   8 (916) 294-84-77
  О Компании   Оплата и Доставка   Помощь   Обратная связь

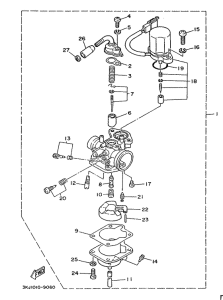
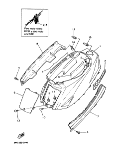
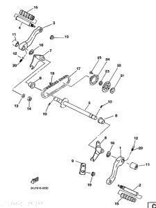
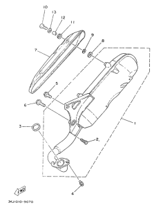
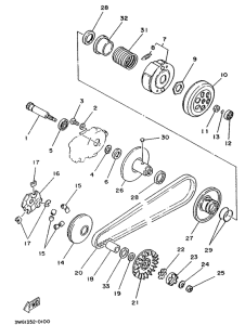
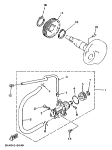
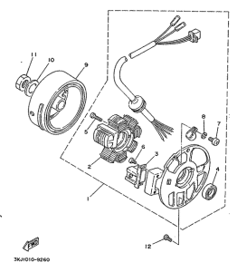
Запчасти для мотоциклов Yamaha CY50 Jog

Год: 1990  •  Код модели: 3WG1  •  Объем двигателя: 50
Запчасти для мотоциклов Yamaha CY50 Jog
{modalWnd}