OEM ЗАПЧАСТИ

  info@automotohub.ru   8 (916) 294-84-77
  О Компании   Оплата и Доставка   Помощь   Обратная связь

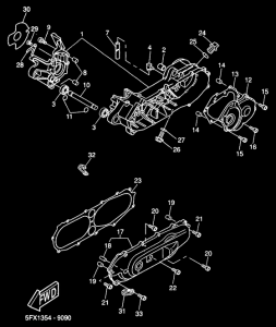
Запчасти для мотоциклов Yamaha CW50RS BW'S Next Generation

Год: 2000  •  Код модели: 5FXG  •  Объем двигателя: 50
Запчасти для мотоциклов Yamaha CW50RS BW'S Next Generation
Выбирайте узел вашей техники:


{modalWnd}