OEM ЗАПЧАСТИ

  info@automotohub.ru   8 (916) 294-84-77
  О Компании   Оплата и Доставка   Помощь   Обратная связь

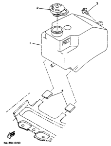
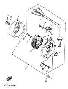
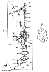
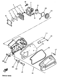
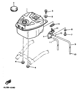
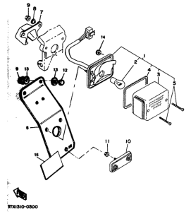
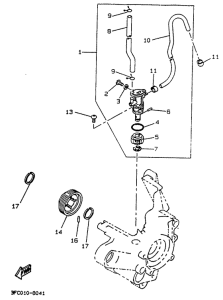
Запчасти для мотоциклов Yamaha CW50 BW'S

Год: 1992  •  Код модели: 4EY1  •  Объем двигателя: 50
Запчасти для мотоциклов Yamaha CW50 BW'S
Выбирайте узел вашей техники:


{modalWnd}