OEM ЗАПЧАСТИ

  info@automotohub.ru   8 (916) 294-84-77
  О Компании   Оплата и Доставка   Помощь   Обратная связь

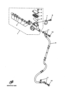
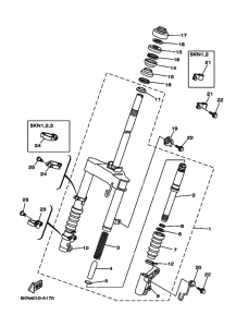
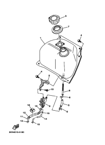
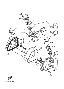
Запчасти для мотоциклов Yamaha CV50R Jog

Год: 2002  •  Код модели: 5KN4  •  Объем двигателя: 50
Запчасти для мотоциклов Yamaha CV50R Jog
{modalWnd}