OEM ЗАПЧАСТИ

  info@automotohub.ru   8 (916) 294-84-77
  О Компании   Оплата и Доставка   Помощь   Обратная связь

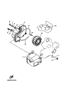
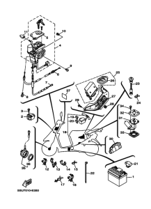
Запчасти для мотоциклов Yamaha CV50A Jog

Год: 2006  •  Код модели: 5SU8  •  Объем двигателя: 50
Запчасти для мотоциклов Yamaha CV50A Jog
{modalWnd}