OEM ЗАПЧАСТИ

  info@automotohub.ru   8 (916) 294-84-77
  О Компании   Оплата и Доставка   Помощь   Обратная связь

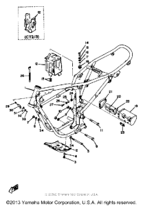
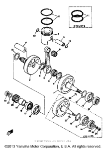
Запчасти для мотоциклов Yamaha CT3 CT3

Год: 1973  •  Объем двигателя: 300
Запчасти для мотоциклов Yamaha CT3 CT3
{modalWnd}