OEM ЗАПЧАСТИ

  info@automotohub.ru   8 (916) 294-84-77
  О Компании   Оплата и Доставка   Помощь   Обратная связь

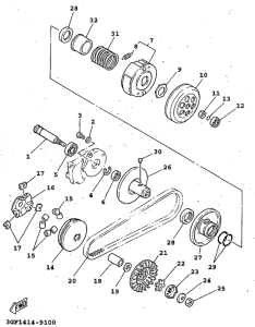
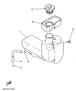
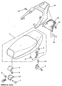
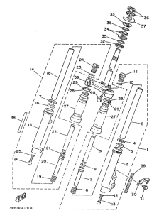
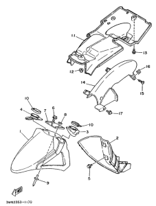
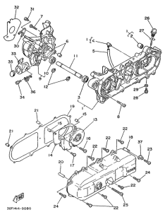
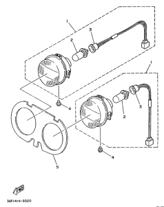
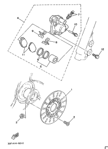
Запчасти для мотоциклов Yamaha CR50Z Target

Год: 1996  •  Код модели: 3WN2  •  Объем двигателя: 50
Запчасти для мотоциклов Yamaha CR50Z Target
{modalWnd}