OEM ЗАПЧАСТИ

  info@automotohub.ru   8 (916) 294-84-77
  О Компании   Оплата и Доставка   Помощь   Обратная связь

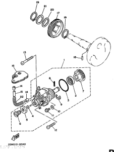
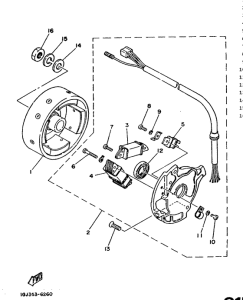
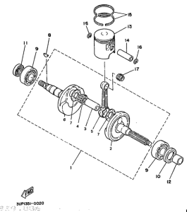
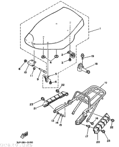
Запчасти для мотоциклов Yamaha CH80 Beluga

Год: 1990  •  Код модели: 3WX1  •  Объем двигателя: 80
Запчасти для мотоциклов Yamaha CH80 Beluga
{modalWnd}