OEM ЗАПЧАСТИ

  info@automotohub.ru   8 (916) 294-84-77
  О Компании   Оплата и Доставка   Помощь   Обратная связь

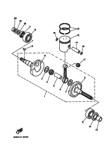
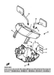
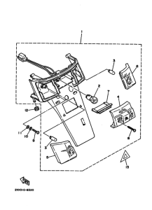
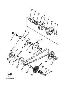
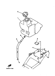
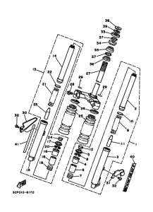
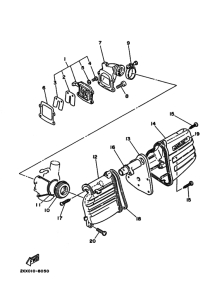
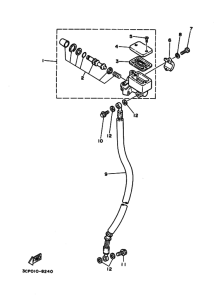
Запчасти для мотоциклов Yamaha CG80Z Jog

Год: 1988  •  Код модели: 2XX1  •  Объем двигателя: 80
Запчасти для мотоциклов Yamaha CG80Z Jog
{modalWnd}