OEM ЗАПЧАСТИ

  info@automotohub.ru   8 (916) 294-84-77
  О Компании   Оплата и Доставка   Помощь   Обратная связь

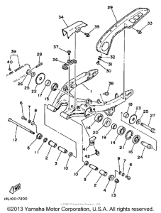
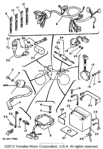
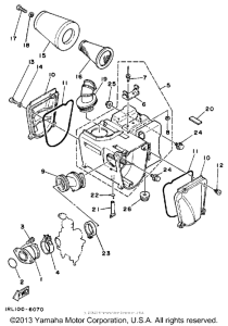
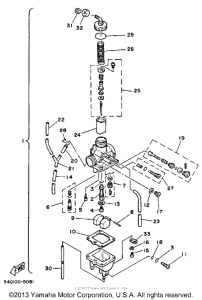
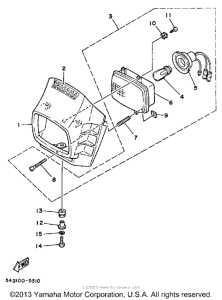
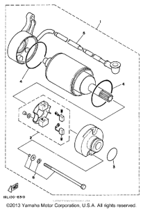
Запчасти для мотоциклов Yamaha BW200ET Big Wheel

Год: 1987  •  Объем двигателя: 200
Запчасти для мотоциклов Yamaha BW200ET Big Wheel
{modalWnd}