OEM ЗАПЧАСТИ

  info@automotohub.ru   8 (916) 294-84-77
  О Компании   Оплата и Доставка   Помощь   Обратная связь

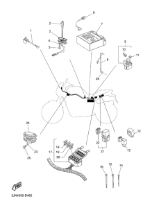
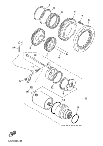
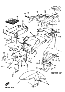
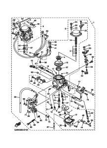
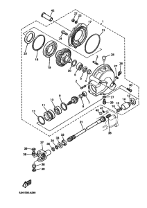
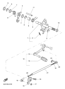
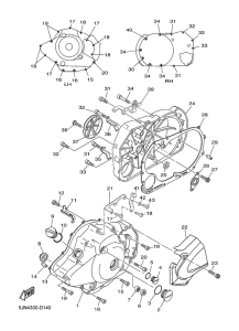
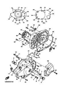
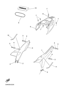
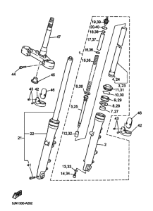
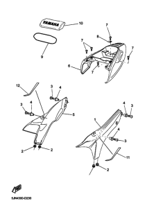
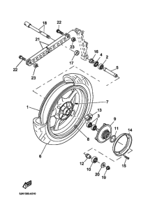
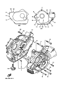
Запчасти для мотоциклов Yamaha BT1100 Bulldog

Год: 2005  •  Код модели: 5JN4  •  Объем двигателя: 1100
Запчасти для мотоциклов Yamaha BT1100 Bulldog
Выбирайте узел вашей техники:
BT1100 Ais


{modalWnd}