OEM ЗАПЧАСТИ

  info@automotohub.ru   8 (916) 294-84-77
  О Компании   Оплата и Доставка   Помощь   Обратная связь

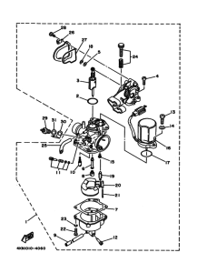
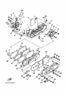
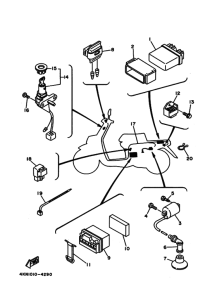
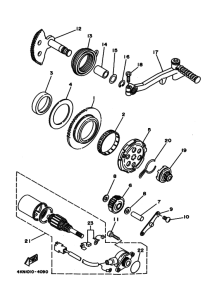
Запчасти для мотоциклов Yamaha BA50N Gear

Год: 1996  •  Код модели: 4KN6  •  Объем двигателя: 50
Запчасти для мотоциклов Yamaha BA50N Gear
{modalWnd}