OEM ЗАПЧАСТИ

  info@automotohub.ru   8 (916) 294-84-77
  О Компании   Оплата и Доставка   Помощь   Обратная связь

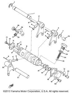
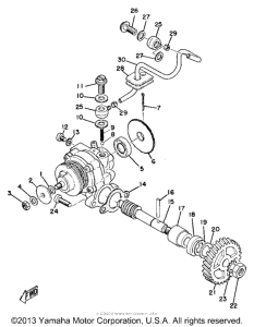
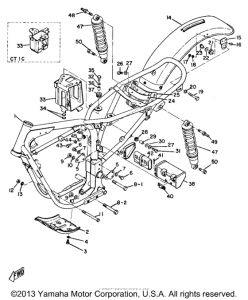
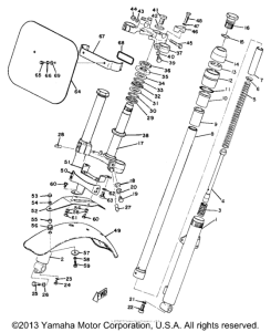
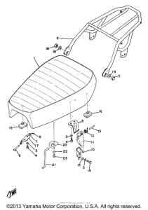
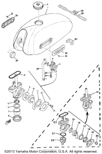
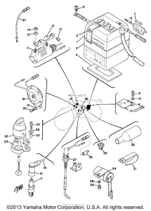
Запчасти для мотоциклов Yamaha AT1MX

Год: 1971  •  Объем двигателя: 100
Запчасти для мотоциклов Yamaha AT1MX
{modalWnd}