OEM ЗАПЧАСТИ

  info@automotohub.ru   8 (916) 294-84-77
  О Компании   Оплата и Доставка   Помощь   Обратная связь

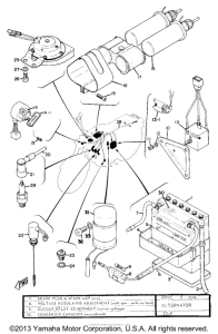
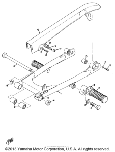
Запчасти для мотоциклов Yamaha AS2

Год: 1969  •  Объем двигателя: 200
Запчасти для мотоциклов Yamaha AS2
{modalWnd}