OEM ЗАПЧАСТИ

  info@automotohub.ru   8 (916) 294-84-77
  О Компании   Оплата и Доставка   Помощь   Обратная связь

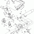
V-STAR CUSTOM-XVS650K/XVS650KC (1998)

V-STAR CUSTOM-XVS650K/XVS650KC (1998)
{modalWnd}