OEM ЗАПЧАСТИ

  info@automotohub.ru   8 (916) 294-84-77
  О Компании   Оплата и Доставка   Помощь   Обратная связь

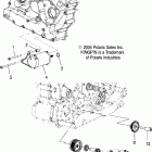
V05CB16/DC16 KINGPIN/NESS ALL OPTIONS (2005)

V05CB16/DC16 KINGPIN/NESS ALL OPTIONS (2005)
Выбирайте узел вашей техники:


{modalWnd}