OEM ЗАПЧАСТИ

  info@automotohub.ru   8 (916) 294-84-77
  О Компании   Оплата и Доставка   Помощь   Обратная связь

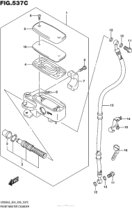
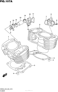
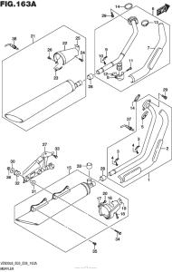
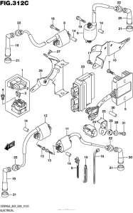
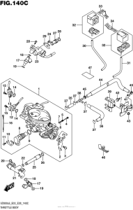
Запчасти для мотоциклов Suzuki VZ800 Boulevard M50

Год: 2016  •  Код модели: VZ800L6
Запчасти для мотоциклов Suzuki VZ800 Boulevard M50
Выбирайте узел вашей техники:


{modalWnd}