OEM ЗАПЧАСТИ

  info@automotohub.ru   8 (916) 294-84-77
  О Компании   Оплата и Доставка   Помощь   Обратная связь

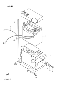
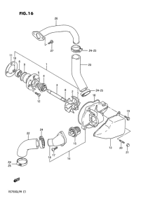
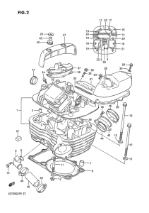
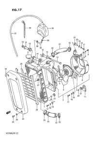
Запчасти для мотоциклов Suzuki VS750 Intruder 750

Год: 1991  •  Код модели: VS750GLPM(E1) M  •  Объем двигателя: 750
Запчасти для мотоциклов Suzuki VS750 Intruder 750
Выбирайте узел вашей техники:


{modalWnd}