OEM ЗАПЧАСТИ

  info@automotohub.ru   8 (916) 294-84-77
  О Компании   Оплата и Доставка   Помощь   Обратная связь

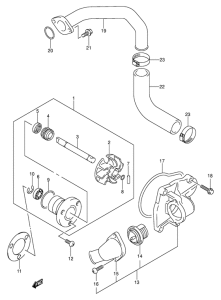
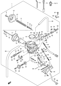
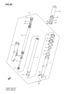
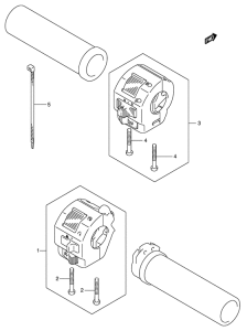
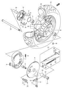
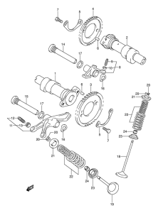
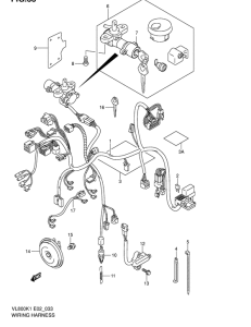
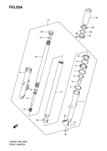
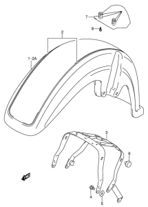
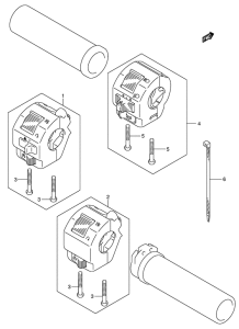
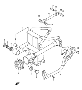
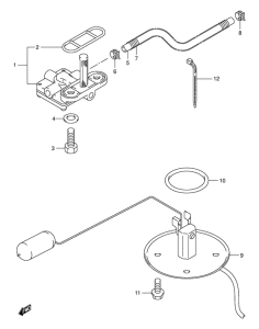
Запчасти для мотоциклов Suzuki VL800 Intruder Volusia

Год: 2004  •  Код модели: VL800ZK4(E2) K4  •  Объем двигателя: 800
Запчасти для мотоциклов Suzuki VL800 Intruder Volusia
Выбирайте узел вашей техники:


{modalWnd}