OEM ЗАПЧАСТИ

  info@automotohub.ru   8 (916) 294-84-77
  О Компании   Оплата и Доставка   Помощь   Обратная связь

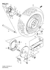
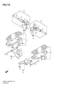
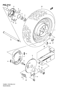
Запчасти для мотоциклов Suzuki VL800 Intruder C800C/ Boulevard C50C

Год: 2011  •  Код модели: VL800CUEL1(E2) L1  •  Объем двигателя: 800
Запчасти для мотоциклов Suzuki VL800 Intruder C800C/ Boulevard C50C
Выбирайте узел вашей техники:


{modalWnd}