OEM ЗАПЧАСТИ

  info@automotohub.ru   8 (916) 294-84-77
  О Компании   Оплата и Доставка   Помощь   Обратная связь

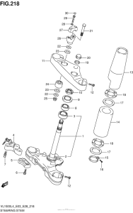
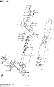
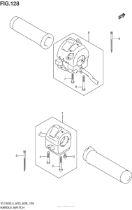
Запчасти для мотоциклов Suzuki VL1500B Boulevard C90 B.O.S.S

Год: 2014  •  Код модели: VL1500BL4  •  Объем двигателя: 1500
Запчасти для мотоциклов Suzuki VL1500B Boulevard C90 B.O.S.S
Выбирайте узел вашей техники:


{modalWnd}