OEM ЗАПЧАСТИ

  info@automotohub.ru   8 (916) 294-84-77
  О Компании   Оплата и Доставка   Помощь   Обратная связь

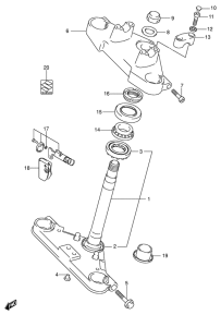
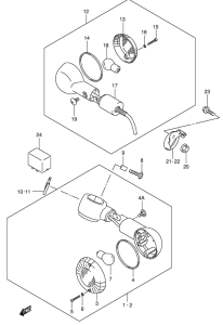
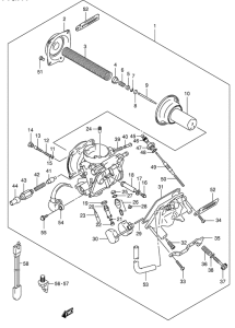
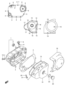
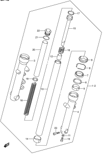
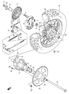
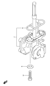
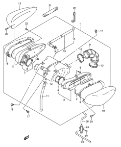
Запчасти для мотоциклов Suzuki VL125 Intruder LC

Год: 2005  •  Код модели: VL125K5(E2) K5  •  Объем двигателя: 125
Запчасти для мотоциклов Suzuki VL125 Intruder LC
{modalWnd}