OEM ЗАПЧАСТИ

  info@automotohub.ru   8 (916) 294-84-77
  О Компании   Оплата и Доставка   Помощь   Обратная связь

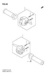
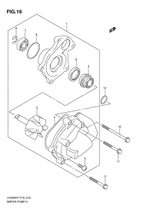
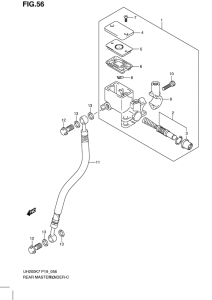
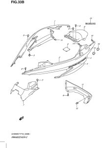
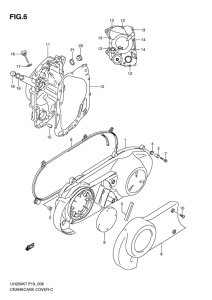
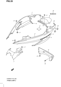
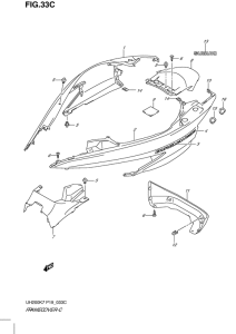
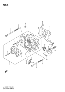
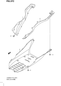
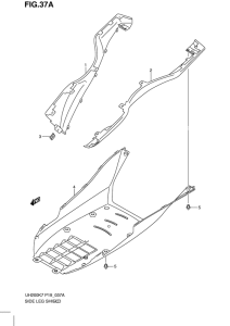
Запчасти для мотоциклов Suzuki UH200 Burgman

Год: 2008  •  Код модели: UH200K8(P19) K8  •  Объем двигателя: 200
Запчасти для мотоциклов Suzuki UH200 Burgman
Выбирайте узел вашей техники:


{modalWnd}