OEM ЗАПЧАСТИ

  info@automotohub.ru   8 (916) 294-84-77
  О Компании   Оплата и Доставка   Помощь   Обратная связь

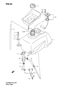
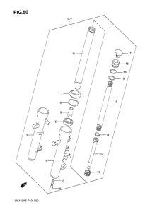
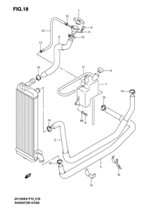
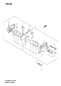
Запчасти для мотоциклов Suzuki UH150 Burgman

Год: 2006  •  Код модели: UH150K6(P19) K6  •  Объем двигателя: 150
Запчасти для мотоциклов Suzuki UH150 Burgman
Выбирайте узел вашей техники:


{modalWnd}