OEM ЗАПЧАСТИ

  info@automotohub.ru   8 (916) 294-84-77
  О Компании   Оплата и Доставка   Помощь   Обратная связь

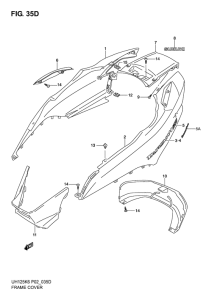
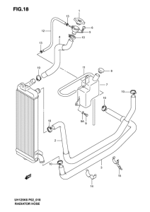
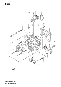
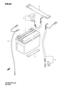
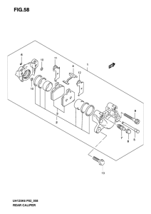
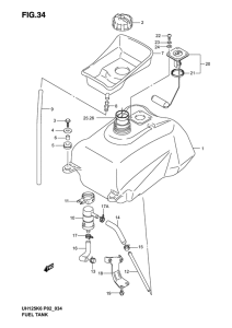
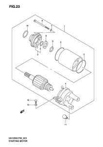
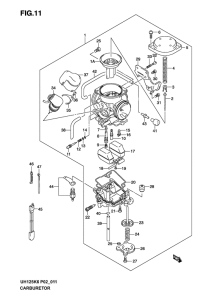
Запчасти для мотоциклов Suzuki UH125 Burgman

Год: 2006  •  Код модели: UH125K6(P2) K6  •  Объем двигателя: 125
Запчасти для мотоциклов Suzuki UH125 Burgman
Выбирайте узел вашей техники:


{modalWnd}