OEM ЗАПЧАСТИ

  info@automotohub.ru   8 (916) 294-84-77
  О Компании   Оплата и Доставка   Помощь   Обратная связь

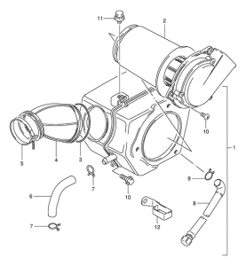
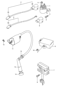
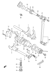
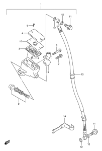
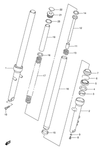
Запчасти для мотоциклов Suzuki TU250

Год: 1997  •  Код модели: TU250XV(E2) V  •  Объем двигателя: 250
Запчасти для мотоциклов Suzuki TU250
Выбирайте узел вашей техники:


{modalWnd}